.30-06 Springfield

"30.06" redirects here. For the "30.06 sign" in Texas gun law, see Gun laws in Texas § 30.06 signage.
.30-06 Springfield

.30-06 Springfield cartridge with soft tip
Type Rifle round
Place of origin United States
Service history
In service 1906–present
Used by USA and others
Wars World War I, World War II, Korean War, Vietnam War, to present
Production history
Designer United States Military
Designed 1906
Produced 1906–present
Specifications
Parent case .30-03 Springfield
Case type Rimless, bottleneck
Bullet diameter .308 in (7.8 mm)
Neck diameter .340 in (8.6 mm)
Shoulder diameter .441 in (11.2 mm)
Base diameter .471 in (12.0 mm)
Rim diameter .473 in (12.0 mm)
Rim thickness .049 in (1.2 mm)
Case length 2.494 in (63.3 mm)
Overall length 3.34 in (85 mm)
Case capacity 68 gr H2O (4.4 cm3)
Rifling twist 1 turn in 10 inches (25.4 cm)
Primer type Large Rifle
Maximum pressure 60,200 psi (415 MPa)
Ballistic performance
Bullet mass/type Velocity Energy
150 gr (10 g) Nosler Ballistic Tip 2,910 ft/s (890 m/s) 2,820 ft·lbf (3,820 J)
165 gr (11 g) BTSP 2,800 ft/s (850 m/s) 2,872 ft·lbf (3,894 J)
180 gr (12 g) Core-Lokt Soft Point 2,700 ft/s (820 m/s) 2,913 ft·lbf (3,949 J)
200 gr (13 g) Partition 2,569 ft/s (783 m/s) 2,932 ft·lbf (3,975 J)
220 gr (14 g) RN 2,500 ft/s (760 m/s) 2,981 ft·lbf (4,042 J)
Test barrel length: 24 inch (61 cm)
Source(s): Federal Cartridge[1] / Accurate Powder[2]

The .30-06 Springfield cartridge (pronounced "thirty-aught-six" or "thirty-oh-six"), 7.62×63mm in metric notation and called ".30 Gov't '06" by Winchester,[3] was introduced to the United States Army in 1906 and later standardized; it remained in use until the early 1980s. The ".30" refers to the caliber of the bullet, and the "06" refers to the year the cartridge was adopted—1906. It replaced the .30-03, 6mm Lee Navy, and .30-40 Krag cartridges. The .30-06 remained the U.S. Army's primary rifle and machine gun cartridge for nearly 50 years before being replaced by the 7.62×51mm NATO (commercial .308 Winchester) and 5.56×45mm NATO, both of which remain in current U.S. and NATO service. It remains a very popular sporting round, with ammunition produced by all major manufacturers.

History

In the early 1890s, the U.S. military adopted the smokeless powder .30-40 Krag rimmed cartridge. The 1894 version of that cartridge used a 220-grain (14 g) round-nose bullet. Around 1901, the U.S. started developing an experimental rimless cartridge for a Mauser action with box magazine. That led to the 1903 .30-03 rimless service round that used the same 220-grain (14 g) round-nose bullet as the Krag.[4] The .30-03 achieved a muzzle velocity of 2,300 ft/s (700 m/s).

Many European militaries at the turn of the 20th century were adopting lighter-weight (roughly 150-to-200-grain (9.7 to 13.0 g)), higher velocity, service rounds with pointed (spitzer) bullets: France in 1898 (8mm Lebel Balle D spitzer 198 grains (12.8 g) with boat-tail), Germany in 1905 (7.92×57mm Mauser S Patrone 153 grains (9.9 g) [S ball])), Russia in 1908 (7.62×54mmR Lyokhkaya pulya [Light Bullet]), and Britain in 1910 (.303 British Mark VII 174 grains (11.3 g)).[5] Consequently, the round-nosed U.S. .30-03 service cartridge was falling behind.[6]

For these reasons, the U.S. military developed a new, lighter, cartridge in 1906, the .30-06 Springfield, "Cartridge, Ball, Caliber .30, Model of 1906", or just M1906. The .30-03 case was modified to have a slightly shorter neck to fire a spitzer flat-based 150-grain (9.7 g) bullet that had a ballistic coefficient (G1 BC) of approximately 0.405, a muzzle velocity of 2,700 ft/s (820 m/s), and a muzzle energy of 2,429 ft·lbf (3,293 J). The cartridge was loaded with Military Rifle (MR) 21 propellant, and its maximum range was claimed (falsely) to be 4,700 yd (4,300 m).[7] The M1903 Springfield rifle, which had been introduced alongside the .30-03 cartridge, was modified to accept the new .30-06 Springfield cartridge. Modifications to the rifle included shortening the barrel at its breech and resizing the chamber, so that the more tapered bullet would not have to jump too far to reach the rifling. Other changes to the rifle included elimination of the troublesome "rod bayonet" of the earlier Springfield rifles.

The M1906 maximum range was originally overstated. When the M1906 cartridge was developed, the range tests had been done to only 1,800 yards (1,650 m); distances beyond that were estimated, but the estimate for extreme range was wrong by almost 40 percent.[8] The range discrepancy became evident during World War I. Before the widespread employment of light mortars and artillery, long-range machine gun "barrage" or indirect fires were considered important in U.S. infantry tactics.[9] When the US entered World War I, it did not have many machine guns, so it acquired British and French machine guns. When those weapons were later replaced with US machine guns firing the M1906 round, the effective range of the barrage was 50 percent less.[10] Firing tests performed around 1918 at Borden Brook Reservoir (Massachusetts), Miami, and Daytona Beach showed the actual maximum range of the M1906 cartridge to be 3,300 to 3,400 yards (3,020 to 3,110 m).[11] Germany, which was using the S Patrone (S ball cartridge) loaded with a similar 153-grain (9.9 g) flat-based bullet in its rifles, had apparently confronted and solved the same problem by developing an aerodynamically more refined bullet for long range machine gun use. The s.S. Patrone was inroduced in 1914 and used a 197.5-grain (12.80 g) s.S. - schweres Spitzgeschoß ("heavy spitzer") boat-tail bullet which had a maximum range of approximately 5,140 yd (4,700 m).[12]

For these reasons, in 1926, the Ordnance Corps developed the .30 M1 Ball cartridge loaded with a new Improved Military Rifle (IMR) 1185 propellant and 174-grain (11.3 g) bullet with a 9° boat tail and an ogive of 7 calibers that had a higher ballistic coefficient of roughly 0.494 (G1 BC),[13][14] that achieved a muzzle velocity of 2,647 ft/s (807 m/s) and muzzle energy of 2,675 ft·lbf (3,627 J).[15] This bullet further reduced air resistance in flight, resulting in less rapid downrange deceleration, less lateral drift caused by crosswinds, and significantly greater supersonic and maximum effective range from machine guns and rifles alike. Its maximum range was approximately 5,500 yd (5,030 m).[16] Additionally, a gilding metal jacket was developed that all but eliminated the metal fouling that plagued the earlier M1906 cartridge.

Wartime surplus totaled over 2 billion rounds of ammunition. Army regulations called for training use of the oldest ammunition first. As a result, the older .30-06 ammunition was expended for training; stocks of .30 M1 Ball ammunition were allowed to slowly grow until all of the older M1906 ammunition had been fired. By 1936, it was discovered that the maximum range of the .30 M1 Ball ammunition with its boat-tailed spitzer bullets was beyond the safety limitations of many ranges. An emergency order was made to manufacture quantities of ammunition that matched the external ballistics of the earlier M1906 cartridge as soon as possible. A new cartridge was developed in 1938 that was essentially a duplicate of the old M1906 round, but loaded with IMR 4895 propellant and a new flat-based bullet that had a gilding metal jacket and a different lead alloy, and weighed 152 grains (9.8 g) instead of 150 grains (9.7 g). This 1938 pattern cartridge, the Cartridge, Caliber .30, Ball, M2 achieved a muzzle velocity of 2,805 ft/s (855 m/s) and muzzle energy of 2,656 ft·lbf (3,601 J).[15] Its maximum range was approximately 3,450 yd (3,150 m).[16]

Firearms

M1 Garand 30-06. Note the ammunition clip at 12 0'clock. It is ejected from the rifle after all eight rounds are depleted.
A Winchester Model 70 Super Grade hunting rifle in .30-06 with Leupold 6×42 scope

In military service, the 30-06 was used in the bolt-action M1903 Springfield rifle, the bolt-action M1917 Enfield rifle, the semi-automatic M1 Garand rifle, the semi-automatic M1941 Johnson rifle, the Famage Mauser, the Browning Automatic Rifle (BAR), and numerous machine guns, including the M1917 and M1919 series. It served the United States in both World Wars and in the Korean War, its last major use being in Vietnam.

The Belgian army (ABL) bought the FN Model 1949 rifle in 30-06 calibre. (both as a sniper version with telescopic sights and as a general service weapon). The Belgium armed forces used the round widely in the Korean war, where the 30-06 calibre FN-49 proved to be a superior weapon in terms of both accuracy and reliability to the American M1 Garand. The 30-06 FN-49 saw widespread use in the various wars in and around the Belgian Congo. The 30-06 FN-49 was also sold to the armies of Luxembourg, Indonesia and Colombia. Another customer was Brazil where it served the Navy.

Large volumes of surplus brass made it the basis for dozens of commercial and wildcat cartridges, as well as being extensively used for reloading. In 1908 the Model 1895 Winchester lever-action rifle became the first commercially produced sporting rifle chambered in .30-06 Springfield. It is still a very common round for hunting and is suitable for large game such as bison, Sambar deer, and bear, when used at close to medium ranges.

In 1903, the Army converted its M1900 Gatling guns in .30 Army to fit the new .30-03 cartridge as the M1903. The later M1903-'06 was an M1903 converted to .30-06. This conversion was principally carried out at the Army's Springfield Armory arsenal repair shops. All models of Gatling guns were declared obsolete by the U.S. Army in 1911, after 45 years of service.[17]

Ballistically, the .30-06 is one of the most versatile cartridges ever designed. With "hot" handloads and a rifle capable of handling them, the .30-06 is capable of performance rivaling many "magnum" cartridges. On the other hand, when loaded more closely to the original government spec, .30-06 remains within the upper limit of felt recoil most shooters consider 'tolerable' over multiple rounds, unlike the magnums, and isn't unnecessarily destructive of meat on game such as deer. With appropriate loads, it is suitable for any small or large heavy game found in North America. The .30-06's power and versatility (combined with the availability of surplus firearms chambered for it and demand for commercial ammunition) have kept the round as one of the most popular for hunting in North America.

Performance

The .30-06 cartridge was designed when shots of 1,000 yards (900 m) were expected. In 1906, the original M1906 .30-06 cartridge consisted of a 150 grains (9.7 g), flat-base cupronickel-jacketed-bullet. After World War I, the U.S. military needed better long-range performance machine guns. Based on weapons performance reports from Europe, a streamlined, 173 grains (11.2 g) boattail, gilding-metal bullet was used. The .30-06 cartridge, with the 173 grains (11.2 g) bullet was called Cartridge, .30, M1 Ball. The .30-06 cartridge was far more powerful than the smaller Japanese 6.5×50mm Arisaka cartridge and comparable to the Japanese 7.7×58mm Arisaka. The new M1 ammunition proved to be significantly more accurate than the M1906 round.[18]

In 1938, the unstained, 9.8 grams (151 gr), flat-base bullet combined with the .30-06 case became the M2 ball cartridge. The M2 Ball specifications required 2,740 feet per second (840 m/s) minimum velocity, measured 78 feet (24 m) from the muzzle.[19] M2 Ball was the standard-issue ammunition for military rifles and machine guns until it was replaced by the 7.62×51mm NATO round in 1954. For rifle use, M2 Ball ammunition proved to be less accurate than the earlier M1 cartridge; even with match rifles, a target group of 5 inches (130 mm) diameter at 200 yards (180 m) using the 150-grain (9.7 g) M2 bullet was considered optimal, and many rifles performed less well.[18] The U.S. Marine Corps retained stocks of M1 ammunition for use by snipers and trained marksmen throughout the Solomon Islands campaign in the early years of the war.[20]

In an effort to increase accuracy some snipers resorted to use of the heavier .30-06 M2 armor-piercing round, a practice that re-emerged during the Korean War.[21] Others sought out lots of M2 ammunition produced by Denver Ordnance, which had proved to be more accurate than those produced by other wartime ammunition plants when used for sniping at long range.[22] With regards to penetration, the M2 ball can penetrate 0.4 in (10.16 mm) of mild steel at 100 yards (91 m), and 0.3 in (7.62 mm) at 200 yards (180 m). M2 AP can penetrate 0.42 in (10.67 mm) of armor steel at 100 yards (91 m). These figures come from army documents.[23] However, a test done by Brass Fetchers shows that M2 AP can actually penetrate up to 0.5 in (12.70 mm) of MIL-A-12560 armor steel from a distance of 100 yards (91 m). The round struck the plate at a velocity of 2601 fps, and made a complete penetration.[24]

Winchester .30-06 cartridge
From left to right 9.3×62mm, .30-06 Springfield, 7.92×57mm Mauser, 6.5×55mm and .308 Winchester
Eight .30-06 cartridges loaded in an en bloc clip for the M1 Garand

Commercially manufactured rifles chambered in .30-06 are popular for hunting. Current .30-06 factory ammunition varies in bullet weight from 7.1 to 14.3 grams (109.6 to 220.7 gr) in solid bullets, and as low as 3.6 grams (55.6 gr) with the use of a sub-caliber bullet in a sabot. Loads are available with reduced velocity and pressure as well as increased velocity and pressure for stronger firearms. The .30-06 remains one of the most popular sporting cartridges in the world. Many hunting loads have over 3,000 foot-pounds (4,100 J) of energy at the muzzle and use expanding bullets that can deliver rapid energy transfer to targets.

Bullet Weight Federal[25] Hodgdon[26] Speer[27] Hornady[28] Nosler[29] Barnes[30]
110 gr (7.1 g) N/A 3,505 ft/s (1,068 m/s) 3,356 ft/s (1,023 m/s) 3,500 ft/s (1,100 m/s) N/A 3,471 ft/s (1,058 m/s)
125–130 gr (8.1–8.4 g) 3,140 ft/s (960 m/s) 3,334 ft/s (1,016 m/s) 3,129 ft/s (954 m/s) 3,200 ft/s (980 m/s) 3,258 ft/s (993 m/s) 3,278 ft/s (999 m/s)
150 gr (9.7 g) 2,910 ft/s (890 m/s) 3,068 ft/s (935 m/s) 2,847 ft/s (868 m/s) 3,100 ft/s (940 m/s) 3,000 ft/s (910 m/s) 3,031 ft/s (924 m/s)
165 gr (10.7 g) 2,800 ft/s (850 m/s) 2,938 ft/s (896 m/s) 2,803 ft/s (854 m/s) 3,015 ft/s (919 m/s) 3,002 ft/s (915 m/s) 2,980 ft/s (910 m/s)
180 gr (11.7 g) 2,700 ft/s (820 m/s) 2,798 ft/s (853 m/s) 2,756 ft/s (840 m/s) 2,900 ft/s (880 m/s) 2,782 ft/s (848 m/s) 2,799 ft/s (853 m/s)
200 gr (13.0 g) N/A 2,579 ft/s (786 m/s) 2,554 ft/s (778 m/s) N/A 2,688 ft/s (819 m/s) 2,680 ft/s (820 m/s)
220 gr (14.3 g) 2,400 ft/s (730 m/s) 2,476 ft/s (755 m/s) N/A 2,500 ft/s (760 m/s) 2,602 ft/s (793 m/s) 2,415 ft/s (736 m/s)

The table above shows typical muzzle velocities available in commercial 30-06 loads along with maximum 30-06 muzzle velocities reported by several reloading manuals for common bullet weights. Hodgdon, Nosler, and Barnes report velocities for 24 inches (610 mm) barrels. Hornady and Speer report velocities for 22 inches (560 mm) barrels. The data are all for barrels with a twist rate of 1 turn in 10 inches (250 mm) which is needed to stabilize the heaviest bullets. The higher muzzle velocities reported by Nosler for 165 grains (10.7 g) and heavier bullets use loads employing a slow-burning, double-base powder (Alliant Reloder 22).

The newer 7.62×51mm NATO/.308 Winchester cartridge offers similar performance to standard military .30-06 loadings in a smaller cartridge. However, the greater cartridge capacity of the .30-06 allows much more powerful loadings if the shooter desires.

Recoil

One reason that the .30-06 has remained a popular round for so long is that the cartridge is at the upper limit of power that is tolerable to most shooters.[31][32] Recoil energy (Free recoil) greater than 20 foot-pounds force (27 J) will cause most shooters to develop a serious flinch, and the recoil energy of an 8-pound (3.6 kg) rifle firing a 165-grain (10.7 g) 30-06 bullet at 2,900 feet per second (880 m/s) is 20.1 foot-pounds force (27.3 J). Recoil-shy shooters can opt for lighter bullets, such as a 150-grain (9.7 g) bullet. In the same 8-pound (3.6 kg) rifle, a 150-grain (9.7 g) bullet at 2,910 feet per second (890 m/s) will only generate 17.6 foot-pounds force (23.9 J) of recoil energy.[33] Young shooters can start out with even lighter bullets weighing 110, 125 or 130 grains (7.1, 8.1 or 8.4 g).

Cartridge dimensions

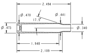
.30-06 Springfield cartridge dimensions. All sizes in inches

The .30-06 Springfield cartridge case can hold 68.2 grains (4.42 g) of water and has a volume of 4.42 millilitres (0.270 in3). The exterior shape of the case was designed to promote reliable case feeding and extraction in bolt-action rifles and machine guns alike, under extreme conditions.

.30-06 Springfield maximum C.I.P. cartridge dimensions. All sizes in millimeters.

Americans defined the shoulder angle at alpha/2 = 17.5 degrees. According to the Commission Internationale Permanente pour l'Epreuve des Armes à Feu Portatives (C.I.P.) the common rifling twist rate for this cartridge is 254 mm (1 in 10 in), 4 grooves, Ø lands = 7.62 mm (.30 in), Ø grooves = 7.82 mm (.308 in), land width = 4.49 mm (.1768 in) and the primer type is large rifle. According to the official C.I.P. guidelines, the .30-06 Springfield case can handle up to 405 MPa (58,740 psi) piezo pressure. In C.I.P.-regulated countries, every rifle cartridge combination has to be proofed at 125% of this maximum C.I.P. pressure to certify for sale to consumers. The 7.92×57mm and 8×64mm S are the closest European ballistic twins of the .30-06 Springfield.

Military cartridge types

Note: .30-06 cartridges are produced commercially with many different bullets and to a number of different specifications.

United States

The .30-06 round was replaced by the 7.62×51mm NATO round in 1954. However, it did soldier on in the Army Reserves and National Guard for some time; Frankfort Arsenal only stopped production in 1961 and Lake City Army Ammunition Plant was making .30-06 until the late 1970s, with new production batches in 1993 and 2002.

Commonwealth

The .30-06 cartridge was adopted in 1940 during the beginnings of the Lend-Lease program in anticipation of using American weapons in front-line service. The British used American-made ammunition during the war, which was designated as Cartridge S.A, .30 to avoid confusing it with their own .303 British service round. It was used after the war as belted machinegun ammunition by the Royal Armored Corps and was not declared obsolete until October, 1993. The "z" after the numeral indicates that it used a nitrocellulose propellant rather than cordite. Marks of ammunition were originally designated with Roman numerals (i.e., .303 Ball Mark VII), but were replaced with Arabic numerals by 1945 (i.e., .303 Ball MK 7).

French Union

The .30-06 round was adopted in 1949 for use in American war surplus military aid weapons like the M1 Garand and M1919 medium machinegun.

U.S. military firearms using the .30-06 cartridge

View from the turret of an M67 "Zippo". On the right is a mounted M1919 Browning machine gun with an attached box of linked .30-06 ammunition.

See also

References

Notes
  1. "Federal Cartridge Co. ballistics page". Archived from the original on 22 September 2007. Retrieved 2007-09-21.
  2. "Accurate Powder reload data table" (PDF). Archived from the original (PDF) on 20 March 2009. Retrieved 2009-02-09.
  3. Gun Digest Shooter's Guide to Rifles Wayne van Zwoll, p 186
  4. Sharpe, Philip B. (1938). The Rifle in America. William Morrow. p. 591. The rimless cartridge case first used a standard 220-grain Krag bullet but in 1906 the Government decided that high velocity was necessary and accordingly adopted the German form of pointed or spitzer bullet, reducing the weight to 150 grains closely approximating the 154-grain 8 mm Mauser.
  5. "Cartridge Specifications and Chronology". Retrieved 26 October 2014.
  6. "The .30-06 Springfield Cartridge". The M1 Garand Rifle. Retrieved 26 October 2014.
  7. Hatcher, Julian S. (1962). Hatcher's Notebook (3rd ed.). Harrisburg, PA: Stackpole Company. p. 19. LCCN 62-12654. The maximum range was given in the handbooks as 4700 yards.
  8. Hatcher 1962, p. 20
  9. George, John (1981). Shots Fired in Anger. NRA Press. pp. 402–403.
  10. Hatcher 1962, pp. 2123
  11. Hatcher 1962, pp. 1920
  12. FN Mauser Model 98 rifle and carbine operator's manual
  13. "M118 History - Sniper Central". Retrieved 26 October 2014.
  14. Development and History of the US .30-06 Service cartridge
  15. 1 2 Hatcher 1962, p. 29
  16. 1 2 FM 23-10 Basic Field Manual: U.S. Rifle Caliber .30, M1903, 20 September 1943 page 212 Archived April 18, 2013, at the Wayback Machine.
  17. Paul Wahl and Don Toppel, The Gatling Gun, Arco Publishing, 1971, p. 155.
  18. 1 2 Dunlap, Roy, Ordnance Went Up Front, Samworth Press (1948), p. 303 ISBN 978-1-884849-09-1
  19. U.S. Army (April 1994), Army Ammunition Data Sheets: Small Caliber Ammunition (PDF), Technical Manual, TM 43-0001-27, page 5-9
  20. George 1981, p. 409
  21. Rocketto, Hap, Biography: William S. Brophy, Civilian Marksmanship Program http://clubs.odcmp.com/cgi-bin/distinguishedStory.cgi?distID=6674
  22. George 1981, pp. 81, 428, 434–435
  23. "ASMRB / Pulp Armor Penetration".
  24. Armor Plate Shootout - 0.5" thick MIL-A-12560 armor plate. 31 January 2013 via YouTube.
  25. http://www.federalpremium.com/products/rifle.aspx accessed 15 May 2010
  26. Hodgdon Powder Company, Cartridge Load Recipe Report, 3/27/2010, data.hodgdon.com
  27. Speer Reloading Manual Number 12, 1994, Blount, Inc., Lewiston, ID. pp. 286-294.
  28. Hornady Handbook of Cartridge Reloading, Fourth Edition, 1991, Hornady Manufacturing Company, Grand Island, NE. pp. 343-350.
  29. Nosler Reloading Guide Number Four, 1996, Nosler, Inc., Bend OR. pp. 322-329.
  30. Barnes Reloading Manual Number 2-Rifle Data, 1997, Barnes Bullets, Inc., American Fork, UT. pp. 381-386.
  31. Barnes, Frank C., Cartridges of the World (Kindle Edition), 2009, Frank C. Barnes and Krause Publications, Chapter 2, Location 375
  32. Kim Lockhart. "30-06 Springfield:". Retrieved 26 October 2014.
  33. "Rifle Recoil Table". Retrieved 26 October 2014.
  34. "Ballistic Resistance of Body Armor NIJ Standard-0101.06" (PDF). NIJ Standards. United States Department of Justice. July 2008. Retrieved 2008-11-13.
  35. Use of M1909 blanks in M1 rifles.
  36. US Grenade Cartridges - The Cal. .30 Grenade Cartridge, M3
  37. "Gary's U.S. Infantry Weapons Reference Guide - .30 Caliber (.30-06 Springfield) Ammunition". Archived from the original on 27 September 2007. Retrieved 2007-09-21.
  38. "An Introduction to Collecting .30-06". Archived from the original on 19 September 2007. Retrieved 2007-09-21.
  39. US Grenade Cartridges by Bill Riccia copyright March 2004
Bibliography

External links

This article is issued from Wikipedia - version of the 11/25/2016. The text is available under the Creative Commons Attribution/Share Alike but additional terms may apply for the media files.