4000 series
The 4000 series is a family of industry-standard integrated circuits (ICs) which implement a variety of logic functions using Complementary Metal–Oxide–Semiconductor (CMOS) technology, which were introduced in 1968 and are still in use today. Almost all IC manufacturers active during the era fabricated chips from this series. RCA sometimes advertised the line as COSMOS, standing for COmplementary Symmetry Metal-Oxide Semiconductor. The naming system followed the RCA convention of CA for analog, CD for digital, but did not relate to the Texas Instruments SN7400 series numbering scheme.

4000 series parts have the advantage of lower power consumption, wider range of supply voltages (3 V to 15 V), and simpler circuit design due to the vastly increased fanout. However their slower speed (initially about 1 MHz operation, compared with bipolar TTL's 10 MHz) limits their applications to static or low-speed designs. New fabrication technology has largely overcome the speed problems, while retaining backward compatibility with most circuit designs. Although all semiconductors can be damaged by electrostatic discharge, the high impedance of CMOS inputs makes them more susceptible than bipolar transistor-based TTL devices. Eventually, the advantages of CMOS (especially the later 74HC series) phased out the older TTL chips, but at the same time ever increasing LSI techniques phased out the modular chip approach to design. The 4000 series also contains many chips with a considerably higher level of integration than most basic logic chips, including fully integrated 7-segment display counters, walking ring counters, and full adders.
History
The 4000 series was introduced by RCA as CD4000 COS/MOS series in 1968, as a lower power and more versatile alternative to the 7400 series of transistor-transistor logic (TTL) chips.[1] (The RCA group that designed the first chips in the series was led by Albert Medwin.[2])
The series was extended in the late 1970s and 1980s to include new types which implemented new functions, or were better versions of existing chips in the 4000 series. Most of these newer chips were given 45xx and 45xxx designations, but are usually still regarded by engineers as part of the 4000 series.
In the 1990s, some manufacturers (e.g. Texas Instruments) ported the 4000 series to their newer HCMOS technology with devices such as the 74HCT4060 providing equivalent functionality to a 4060 IC but with greater speed.
The 4000 series integrated circuits have been used in space satellites for many decades.[3][4]
Design considerations
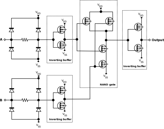
The original 4000 series was available with either unbuffered or buffered inputs and outputs. The buffered outputs can source or sink more current than the unbuffered outputs, eliminating the need for discrete switching transistors in some designs. The buffered versions also have faster output switching times, as the signal rise time of the buffered output stage is faster than that of an unbuffered device. However the overall propagation delay through the buffered versions is higher due to the additional circuitry.[5][6] The buffered devices are more susceptible to output oscillation with slow-changing inputs. Designers must evaluate the choice of buffered or unbuffered parts according to the nature of the circuit in which the devices are being used. The additional input and output gates on the buffered parts also make them marginally less susceptible to damage by electrostatic discharge (ESD).
Although the original designation for unbuffered and buffered parts was the addition of an 'A' or 'B' suffix to the part code (e.g.: 4000A = unbuffered, 4000B = buffered), some manufacturers (e.g.: Texas Instruments) later changed to using UB (unbuffered) and B (buffered) suffixes (e.g.: 4000UB and 4000B).
The diagrams below show the construction differences between a simple buffered and unbuffered CMOS NOR logic gate. Note that the logic gate at the core of the buffered part is actually a NAND gate, but the overall function of the complete circuit is a NOR gate due to the logic inversions performed by the buffers. (A negated NAND with negated inputs becomes a NOR as defined by De Morgan's laws in Boolean Algebra). The clamping diodes on the inputs are to offer some protection against ESD.


The 4000 series permits the use of "cookbook" design, where standard circuit elements can be created, shared, and connected to other circuits with few, if any, connection difficulties. This greatly speeds the design of new hardware by reusing standard approaches to circuit design. In contrast, TTL circuits, while similarly modular, often require much more careful interfacing, since the limited fanout (and fan-in) require that the loading of each output be carefully considered. (Some later TTL families, like 74LS reduce this problem with fanouts of 20.) It is also much easier to prototype LSI designs using the 4000 series and get repeatable and transferable results when moving to the more integrated design.
Some care needs to be taken with the design of circuits using CMOS chips. Many parts offer multiple logic gates in a single package and it is common to not need all of them. An engineer who forgets to 'tie off' (connect the unused gate inputs to VSS or VDD) may find the chip draws excessive current. The problem is caused by biasing in each gate. With the inputs disconnected, the gates may be biased into a mode where the outputs are partially conducting; this leaves the output buffer drawing a great deal of current since it is not fully on or off, creating a low resistance current path between the power supply rails.
Example common 4000 series chips
- 4001 - Quad 2-input NOR gate
- 4008 - 4-bit full adder
- 4010 - Hex non-inverting buffer
- 4011 - Quad 2-input NAND gate
- 4017 - Decade counter / walking ring counter
- 4026 - 7-segment LED counter
- 4071 - Quad 2-input OR gate
- 4081 - Quad 2-input AND gate
See also
- List of 4000 series integrated circuits
- 7400 series
- List of 7400 series integrated circuits
- Logic gate
References
- ↑ Wright, Maury. Milestones That Mattered: CMOS pioneer developed a precursor to the processor EDN, 6/22/2006
- ↑ R. Jacob Baker (2010). CMOS: Circuit Design, Layout, and Simulation (3rd ed.). John Wiley & Sons. p. 7. ISBN 978-1-118-03823-9.
- ↑ "Attitude control magnetometer"
- ↑ "AO-40 RUDAK Experiment Controller"
- ↑ Understanding Buffered and Unbuffered CD4xxxB Series Device Characteristics. Texas Instruments
- ↑ Lancaster, Don. CMOS Cookbook, ISBN 0-672-21398-2
External links
| Wikimedia Commons has media related to 4000 Series. |
- List of 4000 series ICs manufactured by NXP Semiconductors
- Thorough list of 4000 series ICs
- 4000B Series CMOS Functional Diagrams
- 4000 Series Logic and Analog Circuitry, By James M Bryant
- Historical Databook: CMOS ICs (1983, 798 pages), RCA