7mm Remington Magnum

7mm Remington Magnum

Left to right: .308 Winchester, .284 Winchester and 7mm Remington Magnum
Type Rifle
Place of origin  United States
Production history
Designer Remington Arms Company
Designed 1962
Manufacturer Remington
Produced 1962–Present
Specifications
Parent case .375 H&H Magnum
Bullet diameter .284 in (7.2 mm)
Neck diameter .315 in (8.0 mm)
Shoulder diameter .491 in (12.5 mm)
Base diameter .512 in (13.0 mm)
Rim diameter .532 in (13.5 mm)
Case length 2.5 in (64 mm)
Overall length 3.29 in (84 mm)
Case capacity 82.0 gr H2O (5.31 cm3)
Rifling twist 1/9 to 1/10"
Primer type Large rifle magnum
Maximum pressure (C.I.P.) 62,366 psi (430.00 MPa)
Maximum pressure (SAAMI) 61,000 psi (420 MPa)
Maximum CUP 52,000 CUP
Ballistic performance
Bullet mass/type Velocity Energy
110 gr (7 g) Barnes TTS 3,500 ft/s (1,100 m/s) 2,992 ft·lbf (4,057 J)
140 gr (9 g) Nosler AB 3,110 ft/s (950 m/s) 3,006 ft·lbf (4,076 J)
150 gr (10 g) Soft Point 3,110 ft/s (950 m/s) 3,221 ft·lbf (4,367 J)
165 gr (11 g) Sierra GK BT 2,950 ft/s (900 m/s) 3,188 ft·lbf (4,322 J)
175 gr (11 g) Soft Point 2,860 ft/s (870 m/s) 3,178 ft·lbf (4,309 J)
Test barrel length: 24"
Source(s): Accurate Powder [1]

The 7mm Remington Magnum rifle cartridge was introduced as a commercially available round in 1962,[2] along with the new Remington Model 700 bolt-action rifle. It is a member of the belted magnum family that is directly derived from the venerable .375 H&H Magnum.[3] The original purpose of the belted magnum concept taken from the .300 H&H Magnum and .375 H&H Magnum, was to provide precise headspace control, since the sloping shoulders, while easing cartridge extraction, were unsuitable for this purpose. Improved cartridge extraction reliability is desirable while hunting dangerous game, which would be of concern when needing a fast follow up shot. The 7mm Remington Magnum is based on the commercial Winchester .264 Winchester Magnum, .338 Winchester Magnum, and .458 Winchester Magnum, which were based on the same belted .300 H&H Magnum and .375 H&H Magnum cases, trimmed to nearly the same length as the .270 Weatherby Magnum.[3]

On its introduction, the 7mm Remington Magnum substantially usurped the market share held by the .264 Winchester Magnum, which went into sharp decline in popularity and sales after 1962.[4] Remington has recently offered Managed Recoil ammunition for achieving reduced recoil when shooting and for generating less meat damage when hunting smaller game.

Design

The 7mm Remington Magnum offers ballistics better than the .30-06 Springfield with bullet weights of 175 grains and less, one of the more popular loads being a 160 grain spitzer loaded to 3,000 ft/s (910 m/s). This is due both to the higher muzzle velocity of the magnum compared to the Springfield and that .284 diameter bullets tend to have better ballistic coefficients than .308 diameter bullets of comparable mass. It is arguable that the 7mm Remington Magnum offers marginally better ballistics with 175 grain bullets, the heaviest bullet commonly used in the caliber. The .30-06 Springfield can, however, be loaded with heavier bullets up to 220 grains.

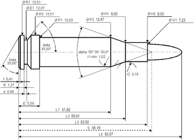
Cartridge dimensions

The 7mm Remington Magnum has 5.31 ml (82 grain) H2O cartridge case capacity.

7mm Remington Magnum maximum C.I.P. cartridge dimensions. All sizes in millimetres (mm).[5]

Americans would define the shoulder angle at alpha/2 = 25 degrees. The common rifling twist rate for this cartridge is 241 mm (1 in 9.49 in), 6 grooves, Ø lands = 7.04 mm, Ø grooves = 7.21 mm, land width = 2.79 mm and the primer type is large rifle magnum.

According to the official C.I.P. (Commission Internationale Permanente pour l'Epreuve des Armes à Feu Portatives) rulings the 7mm Remington Magnum case can handle up to 430.00 MPa (62,366 psi) Pmax piezo pressure. In C.I.P. regulated countries every rifle cartridge combo has to be proofed at 125% of this maximum C.I.P. pressure to certify for sale to consumers. This means that 7mm Remington Magnum chambered arms in C.I.P. regulated countries are currently (2016) proof tested at 537.50 MPa (77,958 psi) PE piezo pressure.[6]

The SAAMI Maximum Average Pressure (MAP) for this cartridge is 61,000 psi (420.58 MPa) piezo pressure.[7]

The rebated rim bottlenecked centerfire short magnum 7mm Winchester Short Magnum cartridge introduced in 2001 is probably the closest ballistic twin of the 7mm Remington Magnum. The 7mm Winchester Short Magnum is considerably shorter and fatter and has a steeper shoulder angle and a shorter neck (6.17 mm) than the 7mm Winchester Short Magnum. This makes the 7mm Remington Magnum case with its 6.89 mm long neck better suited for loading long heavier bullets. On the other hand, the proportions of 7mm Winchester Short Magnum promote good internal ballistic efficiency that allows the 7mm Winchester Short Magnum to fire shorter lighter bullets at slightly higher muzzle velocities whilst using less propellant than the classically proportioned 7mm Remington Magnum. The commercially rarer rebated rim bottlenecked centerfire short magnum 7mm Remington Short Action Ultra Magnum cartridge introduced in 2002 is probably the other closest ballistic twin of the 7mm Remington Magnum. The 7mm Remington Short Action Ultra Magnum is considerably shorter and fatter and has a steeper shoulder angle and a longer neck (7.90 mm) than the 7mm Remington Magnum. This makes the 7mm Remington Short Action Ultra Magnum better suited for loading long heavier bullets. These 21st century ballistic twin short fat magnum cartridges can handle 440.00 MPa (63,817 psi) Pmax piezo pressure according to the C.I.P. or a Maximum Average Pressure (MAP) of 65,000 psi (448.16 MPa) piezo pressure according to the SAAMI.

Use

Because of its flat shooting nature and the relatively tolerable recoil, the 7mm Remington Magnum is especially popular for Western plains use in the United States, as well as for use on plains game in Africa. It has also been chambered in sniper rifles as the US Secret Service counter-sniper team has deployed this cartridge in urban areas . Popular online gun author Chuck Hawks calls the 7mm Remington "one of the great all-around rifle cartridges."[8]

Some cartridges in 7mm Remington Magnum (circle size proportional to recoil).
Game Class vs 6 inch Maximum Point Blank Range. 
Sectional Density vs Ballistic Coefficient. 

Choice of bullet and barrel length

The choice of bullet made when reloading is critical, as the velocity of bullets at close ranges may result in a less tough bullet disintegrating without providing significant penetration on especially tough game. Thus one would do well to use a premium bullet of some sort, for instance a bonded bullet. The choice of barrel length is also critical, as a 26-or-27-inch (660 or 686 mm) barrel is commonly needed to achieve the full velocity potential of the cartridge, and a 24 inches (610 mm) barrel should be viewed as a practical minimum. This is because in shorter, i.e., sporter, barrels, of approximately 22 inches (559 mm), the cartridge ballistics deteriorate to much the same as those achieved in a .270 Winchester, while generating more recoil and muzzle blast than the .270 Winchester.

See also

References

  1. 7 mm Remington Magnum data from Accurate Powder"
  2. Accurate (2000). Accurate Smokeless Powders Loading Guide (Number Two (Revised) ed.). Prescott, AZ: Wolfe Publishing. p. 247. Barcode 94794 00200.
  3. 1 2 Speer Reloading Manual
  4. .264 Win Mag data from Accurate Archived September 28, 2007, at the Wayback Machine.
  5. C.I.P. TDCC sheet 7 mm Rem. Mag.
  6. C.I.P. TDCC sheet 7 mm Rem. Mag.
  7. ANSI/SAAMI Velocity & Pressure Data: Centerfire Rifle
  8. The 7mm Remington Magnum by Chuck Hawks

External links

Wikimedia Commons has media related to 7mm Remington Magnum.
This article is issued from Wikipedia - version of the 11/17/2016. The text is available under the Creative Commons Attribution/Share Alike but additional terms may apply for the media files.