Approach plate

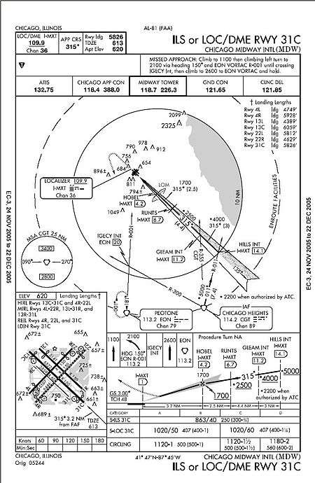
An approach plate for the ILS or LOC/DME approach to runway 31C at Chicago Midway International Airport.

Approach plates (or, more formally, instrument approach procedure charts) are the printed charts of instrument approach procedures that pilots use to fly instrument approaches during instrument flight rules (IFR) operations. Each country maintains their own instrument approach procedures according to International Civil Aviation Organization (ICAO) standards.

In the United States, these procedures are published by the Federal Aviation Administration, military services, commercial aviation publishing organizations, and other organizations. Generally, instrument approach procedures to civil airports in the U.S. are approved by the FAA, and instrument approach procedures to military airports in the U.S. are approved by the appropriate military service. The FAA may also approve private instrument approaches to private airports or heliports for authorized users of these private facilities. These private instrument approach procedures are generally not published but are made available to authorized users.

In Canada, Nav Canada maintains the Canada Air Pilot (CAP), which contains all Transport Canada-approved approaches. The Restricted Canada Air Pilot (RCAP), contains additional approaches available to commercial operators who have been granted Op Spec 099.[1]

Approach plates are essential if an aircraft is to make a safe landing during instrument meteorological conditions (IMC) such as a low ceiling or reduced visibility due to conditions such as fog, rain or snow. In addition to the waypoints, altitudes and minimum visibility requirements necessary to line an aircraft up with a designated runway for landing, they also provide important navigational information such as course headings and navigational aids' radio frequencies. This information allows aircraft to safely transition from the enroute airway segment (which provides guidance for safe flight between the flight origination and destination) through the terminal environment (where aircraft transition from the enroute airway segment to the airspace in the immediate vicinity of the airport) to a safe landing on the designated runway.

Because of the importance of maintaining up-to-date information about the often changing environment around airports (e.g., vertical obstructions to air traffic, such as cranes, can be erected at short notice), approach plates are published with expiration dates and are reviewed on a frequent basis. Since approach plates often contain extra information relative to the procedure they depict (e.g. vertical obstructions in the chart's planform are usually not part of the procedure itself, but are rather depicted for pilot's situational awareness), some of the updates are done purely because of the changing environment around airports, in which case none of the procedural elements (altitudes, courses, etc.) are changed. Anytime the procedure is changed, the plate is re-issued with the updated information.

Etymology

The reference to "plate" originates from the page-by-page preparations used in printing.

See also

References

External links

Electronic approach plates
This article is issued from Wikipedia - version of the 11/27/2016. The text is available under the Creative Commons Attribution/Share Alike but additional terms may apply for the media files.