Modular Equipment Transporter

The Modular Equipment Transporter (MET) was a two-wheeled, hand-pulled vehicle that was used as an equipment hauling device on traverses across the lunar surface. Designed after Apollo 12 astronauts Pete Conrad and Alan Bean had difficulties lugging their equipment significant distances to and from their Lunar Module, the MET primarily functioned as a portable workbench with a place for hand tools and their carrier, cameras, spare camera magazines, rock sample bags, environmental sample containers, and the portable magnetometer with its sensor and tripod.[1] It was carried on Apollo 14 and planned to be used on Apollo 15, but was used only on Apollo 14, since Apollo 15's mission was changed to be the first to employ the motorized Lunar Roving Vehicle, which transported both astronauts and equipment.
Astronauts nicknamed the MET "the rickshaw". It was pulled using a pulling bar in the front. The majority of the payload of the MET consisted of the Apollo Lunar Surface Experiments Package (ALSEP).[2] The performance of the MET was described as "adequate".[3] In fact, astronauts Alan Shepard and Edgar Mitchell were disappointed by the MET's performance. During one of the traverses they had to carry the MET together because it was too difficult to pull the MET through the rough lunar terrain.
Design criteria
Data from Operator's Manual By General Electric[4]
Dimensional limits
- Max. Net Weight (Empty): 30 Earth lbs
- Max. Payload Capability: 340 Earth lbs
- Workable height: 30 in
- Stowage Envelope: 28" x 36" x 8"
Operation specifications
- Nominal Pulling Speed: 4-7 mph
- Nominal Draw Bar Pull: 3-5 mph
- Design Traverse 20,000 ft
- Capable of Traversing: up to 4" Diameter Rocks
- Tire Temperatures:
- -60 °F on deployment
- 0 °F to 200 °F when parked
- 70 °F average when rolling
- Tire Pressure: 1.5 psia
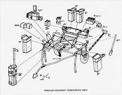
Items stowed on MET
Data from Operator's Manual by General Electric[5]
| Stowed Item # | Items Stowed | Quantity | Lunar Module Stowage/Code |
|---|---|---|---|
| 1 | Camera/Power Pack (16 mm) | 1 (on tool carrier) | Ascent: A4 |
| 2 | Magazine (16 mm) | 3 (1 in camera) | Ascent: A4 |
| 3 | Camera (70 mm Hasselblad) | 1 | Ascent: F2B |
| 4 | Magazine (70 mm) | 3 (1 in camera) | Ascent: F2B |
| 5 | Handle (70 mm) | 1 | Ascent: F2B |
| 6 | Trigger (70 mm) | 1 | Ascent: F2B |
| 7 | RCU/70 mm Bracket | 1 | Ascent: F9A |
| 8 | Camera Assembly | 1 | Descent: M1R |
| 9 | Magazine Assembly | 2 (1 in camera) | Descent: M1F |
| 10 | Magazine Assembly Cover | 1 | Descent: M1F |
| 11 | RCU/LGEC Bracket | 1 | Descent |
| 12 | Camera (Close-up/stereo) | 1 | Descent:M1N |
| 13 | Weigh Bags | 4 | Descent: M1P |
| 14 | Trenching Tool | 1 | Descent: M1W |
| 15 | Special Environment Sample Container | 2 | Descent: M1P |
| 16 | Portable Magnetometer: *Tripod & Sensor*Cable Reel*Electronics Package | 1 | Descent: Adjacent Sequence Bay |
| 17 | ALHTC | 1 | Descent: ALSEP |
| 18 | Camera Staff | 1 | Descent: ALSEP |
| 19 | Hammer | 1 | Descent: M1K |
| 20 | Scoop | 1 | Descent: M1M |
| 21 | Lens/Brush | 1 | Descent: ALSEP |
| 22 | Tongs | 1 | Descent: M1H |
| 23 | Extension Handle | 5 | Descent: M1G |
| 24 | Core Tubes | 2 | Descent: 1 in SRC |
| 25 | 35 Bag Dispenser | 1 | Descent: M1T |
| 26 | Penetrometer | 1 | Descent: ALSEP |
| 27 | Gnomon | 1 | Descent: M1A |
| 27A | Color Chart & Traverse Map | 1 EA | Descent: ALSEP |

References
- ↑ MODULAR EQUIPMENT TRANSPORTER OPERATOR'S FAMILIARIZATION MANUAL (PDF). Houston, Texas: GENERAL ELECTRIC. April 27, 1970. p. 2. Retrieved 1 December 2014.
- ↑ Shepard, Alan; Armstrong, Deke Slayton with Jay Barbree ; introduction by Neil (2011). Moon shot : the inside story of America's Apollo moon landings (Revised edition. ed.). Open Road. ISBN 978-1-4532-5826-2.
- ↑ Lunar surface experiments, Houston, Texas: NASA Manned Spacecraft Center, April 1971
- ↑ MODULAR EQUIPMENT TRANSPORTER OPERATOR'S FAMILIARIZATION MANUAL (PDF). Houston, Texas: GENERAL ELECTRIC. April 27, 1970. p. 1. Retrieved 1 December 2014.
- ↑ MODULAR EQUIPMENT TRANSPORTER OPERATOR'S FAMILIARIZATION MANUAL (PDF). Houston, Texas: GENERAL ELECTRIC. April 27, 1970. p. 1. Retrieved 1 December 2014.
| Wikimedia Commons has media related to Modular Equipment Transporter. |