Open-circuit voltage


Open-circuit voltage (abbreviated as OCV or VOC ) is the difference of electrical potential between two terminals of a device when disconnected from any circuit.[1] There is no external load connected. No external electric current flows between the terminals. It is sometimes given the symbol Voc. In network analysis this voltage is also known as the Thévenin voltage.
The open-circuit voltages of batteries and solar cells are often quoted under particular conditions (state-of-charge, illumination, temperature, etc.).
Open Circuit Potential is important since the metal with the low open potential will dissolve faster in the electrolyte than the metal with high open circuit potential.
The potential difference mentioned in the batteries and cells is usually the open circuit voltage. Open circuit voltage is known as the emf , which is the maximum potential difference when there is no current and the circuit is not closed.
To calculate open circuit voltage one can use a method similar to the one below:
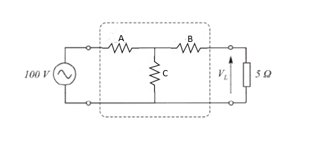
Consider the circuit:
If we want to find the open circuit voltage across 5Ω resistor. First disconnect it from the circuit:
Find the equivalent resistance in loop 1 and hence find the current in the loop. Use Ohm’s Law to find the Potential drop across the resistance C. The resistor B does not affect the open circuit voltage. Since no current is flowing through it, there is no potential drop across it. So we can easily ignore it.
Therefore, the potential drop across the resistance C is VL.
This is just an example. Many other ways can be used.[2]
See also
References
- ↑ http://www.learnabout-electronics.org/resistors_18.php
- ↑ https://www.youtube.com/watch?v=LN7RoJ6GC9k, retrieved 2015-11-18 Missing or empty
|title=(help)