Ryan Tower
Ryan Tower was a 228.9-metre (751 ft) tall guyed mast on the Clifford Slope of Camp Fortune in Chelsea, Quebec, Canada.
History
Sponsored by CFRA-FM owner Frank Ryan, the tower was erected at the foot of the Carp Ridge near the town of Hazeldean, Ontario (present-day Ottawa), by helicopter in 1961. Its top was 580 metres (1,900 ft) above sea level, making it the highest point in the Ottawa/Gatineau area and was an easy-to-spot landmark. The tower would later be disassembled and relocated to the Camp Fortune site for improved coverage.
The old tower (painted red and white to comply with Transport Canada and Department of Communications Regulations Concerning Broadcast Towers)[1] was taken down on November 4, 2012 and the current gray tower visible at the Camp Fortune site is actually the nearby replacement tower.
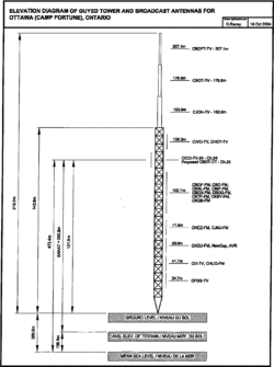
It stood as the 15th tallest guyed structure in Canada, and provided a large portion of the Ottawa Valley's broadcast television and radio signals.
Stations broadcast from Ryan Tower
FM radio stations broadcasting from the Ryan Tower included:
- CHUO 89.1
- CIHT 89.9
- CBOF 90.7
- CBO 91.5
- CKCU 93.1
- CKKL 93.9
- CJFO 94.5
- CIMF 94.9
- CJMJ 100.3
- CBOX 102.5
- CBOQ 103.3
- CKTF 104.1
- CISS 105.3
- CHEZ 106.1
- CKQB 106.9
Television stations broadcasting from the Ryan Tower included:
Tower replacement
The Frank Ryan Tower was taken down by crane using cutting saws on Sunday, November 4, 2012. Its digital television and FM radio antennas were displaced to a new tower.[2]
See also
References
External links
Coordinates: 45°30′09″N 75°51′0″W / 45.50250°N 75.85000°W